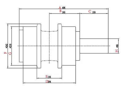
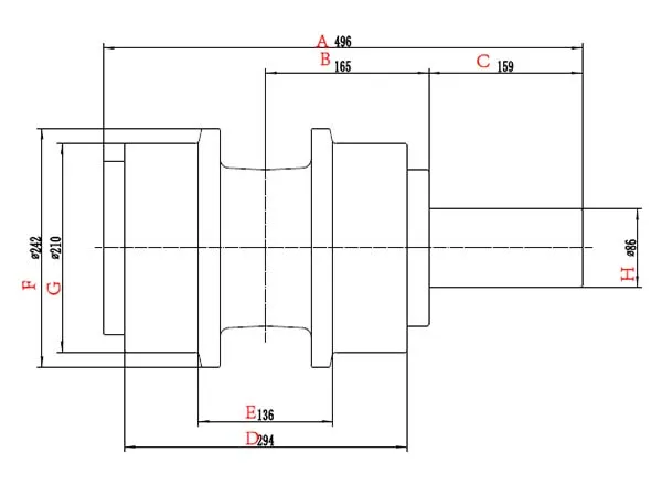
Our Undercarriage Parts


Founded in 1987, PingTai Machinery (PT'ZM) specializes in undercarriage parts for excavators and bulldozers, including track rollers, idlers, sprockets, sprocket segments, and related components. Manufactured to precise 1:1 OEM specifications for Komatsu, Caterpillar, Hitachi, Volvo, and other leading brands, our products are durable for mining, urban construction, and extreme environments. Certified with GB/ISO9001, ISO14001, and ISO45001, PT'ZM serves customers worldwide, offering high-quality products, reliable delivery, technical support, and cost-effective solutions for long-term, mutually beneficial partnerships.